
You can find out more Diagram below
Chrysler 300 Questions My Trunk Will Not Open Cargurus
2005 2008 Dodge Magnum Interior Fuse Check 2006 Dodge
1997 Honda Passport Radio Wiring Diagram 2000 Volvo Vnl 2009
Roger Vivi Ersaks 2005 Chrysler 300 Rear Fuse Box Diagram
Fuse Box On 2010 Chrysler 300 2007 Chrysler 300 Trunk Fuse
Other Electric Vehicle Parts Car Truck Parts Parts
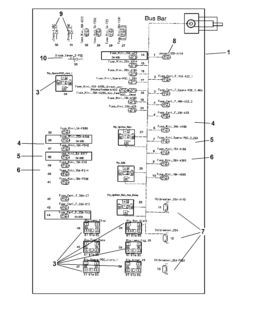
2005 Chrysler 300 Power Distribution Center Relays Fuses
Chrysler 300 Questions My Trunk Will Not Open Cargurus
Chrysler 300 2007 Fuse Box Diagram 2007 Chrysler 300 Trunk
Chrysler 300 Fuse Box Locations
Volvo S60 Trunk Fuse Box Diagram Datanta Us
Wrg 7799 2006 Chrysler 300 Trunk Fuse Diagram
As Well Mercedes Benz Wiring Diagram On Chrysler 300 Wiring
2007 Chrysler 300 Fuse Box For Lighting Spacedesignagency Co
No Power From The Cigarette Lighter Electrical Problem 6
0 comments:
Post a Comment